cours électronique et transistors
.....
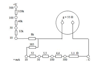
l'appareil de mesure des tensions et courants et son schéma
***
. 
aperçu des classeurs et des différents fascicules de cours : théorie...

. 
pratique, avec la réalisation de montages expérimentaux, dictionnaire
des termes spécifiques...
. 
exemple: ampli BF à quatre transistors, schéma, et réalisation
sur la plaquette d'essai
. 
lexique, et programme détaillé de maintenance des appareils
. 
enfin, une schémathèque comprenant 7 fascicules, et la liste des
matériels livrés
le matériel de la partie pratique :

...
signal-tracer dans une boite "adaptée" et transistormètre,
nécessitant le galvanomètre du contrôleur universel
...
le premier modèle de récepteur (PO GO Ant.)
voir ici sa révision et remise en fonctionnement
et le modèle plus récent (années 70) d'allure plus moderne :
avec cette fois la gamme OC ; plus de détails bientôt

schéma hors-texte du récepteur

indications de montage du coffret

le transistormètre plus complet du cours Eurotechnique
plus récent

une page de l'examen final sanctionnant les études
cliquez ici si le menu n'apparait pas
EURELEC eurelec Eurelec cours
radio correspondance 1966
brochure publicitaire théorie pratique vocabulaire commercial
récepteur AM FM controleur universel lampemetre gene HF
heterodyne alimentation HT montages schéma oscilloscope 806
cours de transistors mesures électroniques TV noir et blanc couleur
platine melodyne poste 7 lampes Eurelec CSF