NE JAMAIS REBRANCHER UN POSTE ANCIEN
SANS L'AVOIR FAIT VERIFIER PAR UNE PERSONNE COMPETENTE
RISQUES DE DOMMAGES IRREVERSIBLES, D'ELECTROCUTION OU D'INCENDIE
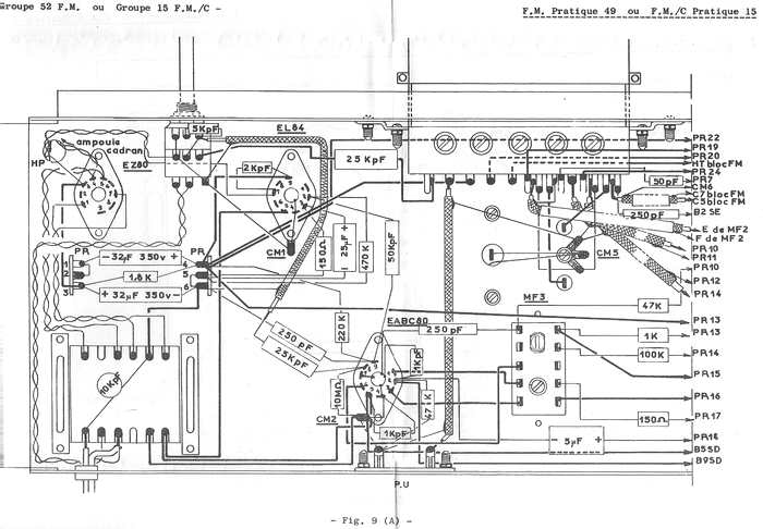
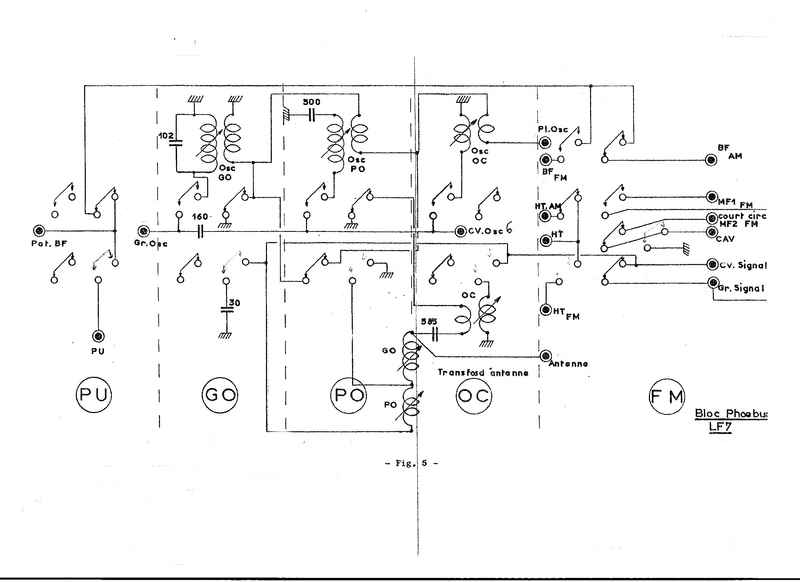
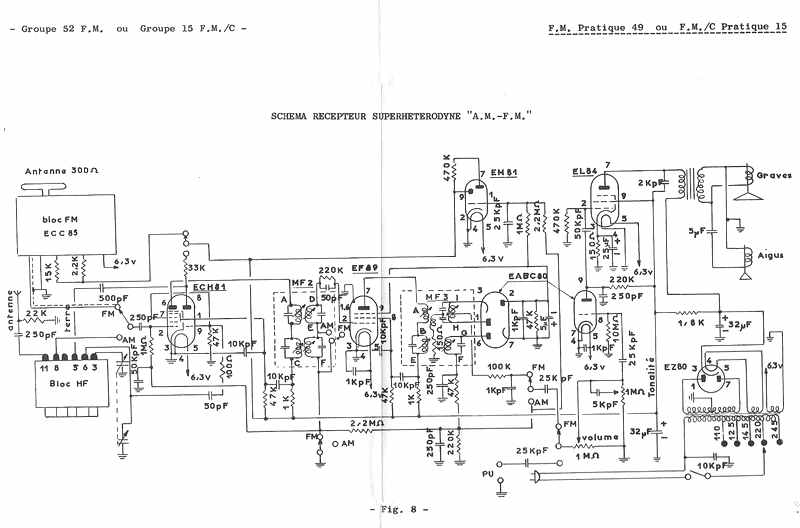
récepteur superhétérodyne AM-FM
en fin de parcours, "la récompense de tous les efforts"...

esthétique "rectangulaire" de la fin des années 60,
placage acajou et jonc doré
deux haut-parleurs, réglage de volume et tonalité à gauche,
stations à droite

cadran en verre avec oeil magique à droite et logos ancien et nouveau
:
...... 
à gauche, évocation d'un émetteur et un symbole évoquant
un oeil ou une onde ?
à droite, une clef pour ouvrir les portes de l'avenir, avec le symbole
de l'atome

le poste allumé avec les "lampes cadran" éclairées
à l'arrière : prises antenne FM, antenne AM et PU
voir ici sa remise en fonctionnement
petit historique des postes à lampes
Eurelec
(photos : collection personnelle, ou site indiqué;
me contacter en cas d'oubli)
- fin des années 50 -
...
modèle françaisGO PO OC et italien PO OC FM (Elettra)
(en recherche d'information ; source : .. )
***
- début des années 60 -
..... 
AM seulement sur ces modèles (PU, GO, PO, OC, BE, avec bloc HF CA9)
; on remarquera
la place du transformateur d'alimentation à droite (rare!) , et il
n'y a pas de réglage de tonalité
***
..... 
modèle AM-FM 7 lampes, ébénisterie plaqué
acajou, vernis polyester ; à droite avec platine tourne-disque "Mélodyne"
Pathé-Marconi
(ce dernier extrait du site http://eurelec45.eklablog.com/)

reconstitution d'un modèle et
remise en fonctionnement à partir d'un chassis d'époque
***
- années 65-70 -
..... 
le modèle présenté au-dessus, équipé à
droite d'une platine tourne-disque "Mélodyne"
ou M481, M490
etc...
voir sa remise en fonctionnement
***
dernier modèle à 9 lampes (vers 1970-75) avec FM stereo :

stations à gauche, et volume à droite ! HP sur les cotés
voir ici sa remise en fonctionnement

avec des enceintes closes deux voies

platine Dual 1010 S sur l'entrée PU ; il y a aussi une prise magnetophone
....
un autre type de cadran, sans indication des stations et une autre forme plus
compacte (doctsf.fr)
........

le modéle stereo équipé d'une platine philips
***
les modèles proposés ensuite seront
à transistors et les cours proposés vont se diversifier,
mais il y a déjà un modèle à transistors dans le
cours correspondant en 1966 :

voir ici sa remise en fonctionnement
***
vers 1977 et ensuite

modèle ampli-tuner stereo 2 x 4,5 W à transistors er circuits
intégrés
qu'on retrouve lorsque Eurelec devient Eurotechnique
dans les années 1990-95
voir ici sa remise en fonctionnement
quelques réalisations d'amateurs
(collection personnelle, ou trouvées sur la toile)
certains bricoleurs ont choisi de réaliser eux mêmes ou de transformer l'habillage de leur récepteur :
...
à gauche avec HP Audax 25 cm ; à droite,
reconstitution d'une ébénisterie
...
ébénisterie Philco abritant un chassis Eurelec...
...
...
doctsf.fr
cliquez sur l'image pour voir la source
... 
une ébénisterie particulière et un modèle à
quatre boutons (!) sur http://eurelec45.eklablog.com/
...
modèle "valise" pour un transport plus aisé...
(si vous reconnaissez une image, ou si vous désirez
ajouter un commentaire
ou autre, vous pouvez me contacter ici
; merci !)

ce qui me reste du récepteur construit il y a cinquante
ans
la partie FM a disparu, ainsi que le cadran et l'indicateur d'accord...
un gros travail de remise en état en perspective !
( à suivre )
cliquez ici si le menu n'apparait pas
EURELEC eurelec Eurelec cours
radio correspondance 1966
brochure publicitaire théorie pratique vocabulaire commercial
récepteur AM FM controleur universel lampemetre gene HF
heterodyne alimentation HT montages schéma oscilloscope 806
cours de transistors mesures électroniques TV noir et blanc couleur
platine melodyne poste 7 lampes Eurelec CSF